| 品牌Universal Hydraulik | 有效期至长期有效 | 最后更新2026-03-02 14:30 |
| 浏览次数45 |
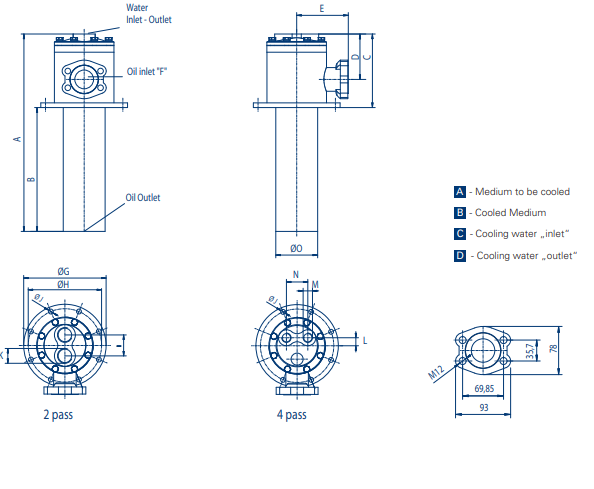
德国Universal Hydraulik UKTM-518-T-CN-W-SW热交换器
公司简介
德国Universal Hydraulik专注液压与热管理设备研发制造,产品涵盖热交换器等,提供多行业冷却解决方案。
产品简介
德国Universal Hydraulik UKTM-518-T-CN-W-SW型热交换器,为U型管罐内安装设计,换热高效、维护便捷,适配多行业液压系统冷却需求。
详细介绍
德国Universal Hydraulik UKTM-518-T-CN-W-SW型热交换器,是该品牌UKTM系列核心型号,依托公司多年热管理设备制造经验,专为罐内安装场景设计,可直接集成于液压油箱或设备储液罐内,节省外部安装空间,为液压系统、工业设备提供高效冷却支撑,适配多种复杂工况。
产品采用U型管结构设计,无需拆管即可完成维护,大幅降低运维难度与耗时;配备铝翅片与CN材质换热管,有效增大换热面积,提升换热效率,可快速散发设备运行产生的热量,确保设备在适宜温度范围内稳定运行。壳体选用优质耐腐蚀材质,可抵御多种介质侵蚀,适配复杂工业环境。具备可拆卸端盖,法兰可转动90°,安装灵活,适配不同罐内布局,同时支持内置旁通止回阀,避免故障时系统紧急停机。每台产品均经过多轮严苛测试,包括水压试验与泄漏测试,运行稳定,能满足多行业设备冷却的实际需求,兼顾实用性与可靠性。
技术参数
| 型号 | UKTM-518-T-CN-W-SW |
| 类型 | U型管罐内安装式热交换器,归属UKTM系列 |
| 结构形式 | U型管设计,配备铝翅片,可拆卸端盖,法兰可转动90° |
| 核心材质 | 换热管为CN材质,翅片为铝材质,壳体为优质耐腐蚀金属 |
| 换热方式 | 高效对流换热,优化翅片设计增大换热面积 |
| 额定压力 | 油侧≤35bar,水侧≤16bar |
| 工作温度范围 | 5-95℃,适配宽温工况需求 |
| 安装方式 | 罐内集成安装,适配液压油箱及各类储液罐 |
| 流量参数 | 油流量适配对应规格,流动阻力小 |
| 防护性能 | 耐腐蚀、抗振动,适配复杂工业环境 |
| 维护特性 | 无需拆管即可维护,可拆卸端盖,维护便捷 |
| 可选功能 | 支持内置旁通止回阀,避免系统紧急停机 |
| 测试标准 | 经过100Bar水压膨胀试验、泄漏测试等多阶段检测 |
| 适配介质 | 液压油、水等多种冷却介质,适配多行业需求 |

应用场景
1. 工程机械领域
适配挖掘机、装载机等设备的液压油箱冷却,罐内安装设计节省空间,抗振动、耐杂质堵塞,可保障设备在复杂工况下稳定运行,减少高温故障。
2. 矿山机械领域
应用于矿山井下小型设备、破碎机的液压系统冷却,紧凑结构适配狭窄空间,耐腐蚀材质可抵御矿山复杂环境,维护便捷降低野外运维成本。
3. 工业自动化领域
用于自动化生产线的液压设备冷却,高效换热可快速散发设备运行热量,确保生产线连续运转,适配长时间工况需求。
4. 通用工业领域
适配液压站、压缩机等通用设备的冷却,可直接集成于设备储液罐内,安装灵活,运行稳定,满足各类工业设备的基础冷却需求。
5. 船舶领域
选用耐腐材质版本,可适配船舶液压系统冷却,具备一定的盐雾腐蚀抵抗能力,能在海洋环境中稳定运行,保障船舶设备正常运转。
| 徐豪杰 QQ:2351635597 手机:18519260275 电话:010-64714988-186 传真:010-84786709-667 邮件:sales65@handelsen.cn |
![]() |
![]() |
客服热线:







