| 品牌FRIEDRICHS | 有效期至长期有效 | 最后更新2026-02-28 11:13 |
| 浏览次数44 |
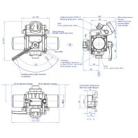
德国FRIEDRICHS DF 4.225型双联过滤器
公司简介
德国FRIEDRICHS专注过滤器研发制造,产品涵盖多系列,质控严格,提供多行业流体过滤解决方案。
产品简介
德国FRIEDRICHS DF 4.225-B20.060.L1-P-5.02-2,0-f2.2,0-Z型双联过滤器,可切换运行,过滤精准,适配工业多场景流体净化需求。
详细介绍
德国FRIEDRICHS DF 4.225-B20.060.L1-P-5.02-2,0-f2.2,0-Z型双联过滤器,是该品牌4.225系列核心型号,依托公司多年过滤设备制造经验,专为化工、石油、采矿等行业设计,采用双联切换结构,可实现不停机清洗或更换滤芯,保障流体过滤连续进行,有效去除介质中的微小杂质,为后续设备运行提供保护。
产品外壳可选铸铁、不锈钢等多种材质,适配不同腐蚀程度的流体介质,密封性能良好,可抵御复杂工业工况。滤芯采用优质材料精密加工,过滤细度可达≥2微米,能高效捕获微小颗粒,减少设备受损风险,延长机械使用寿命。具备压差监控可选功能,可实时反馈滤芯状态,便于及时维护。结构设计紧凑,采用90°连接布置,安装便捷,可适配吸入或压力管道,维护简单,每台产品均经严格检验出厂,能满足多行业连续过滤的实际需求。
技术参数
| 型号 | 德国FRIEDRICHS DF 4.225-B20.060.L1-P-5.02-2,0-f2.2,0-Z |
| 类型 | 工业级双联切换式过滤器 |
| 结构形式 | 双联并联结构,横向过滤器布置,90°连接 |
| 核心材质 | 外壳可选铸铁、球墨铸铁、钢、不锈钢等,滤芯为优质过滤材料 |
| 公称直径 | DN20 |
| 公称压力 | PN16 |
| 过滤细度 | ≥2微米,可高效过滤微小颗粒杂质 |
| 工作方式 | 可切换运行,支持不停机清洗、更换滤芯 |
| 安装位置 | 可安装在吸入或压力管道中,适配多种管路布局 |
| 防护性能 | 密封良好,可抵御复杂流体条件,防止介质泄漏 |
| 拓展功能 | 可选配压差监控,实时反馈滤芯工作状态 |
| 维护特性 | 滤芯更换便捷,易于再生,维护成本低 |
| 适用介质 | 润滑油、水、油品、烃类等多种液体及气体介质 |

应用场景
1. 石油化工领域
适配石油、化工生产中的流体过滤,可过滤油品、烃类等介质中的杂质,密封性能优良,适配复杂工况,保障生产设备稳定运行。
2. 采矿领域
应用于采矿设备的润滑系统、液压系统过滤,去除介质中的颗粒杂质,减少设备磨损,延长采矿设备使用寿命,降低维护成本。
3. 机械制造领域
用于减速机、液压设备等的流体过滤,可适配西门子FLENDER减速机等设备,过滤精度高,保障设备内部元件不受杂质损坏。
4. 电力领域
适配电力设备的润滑、冷却系统过滤,可连续运行,无需停机维护,保障电力设备稳定运转,减少设备故障概率。
5. 通用工业领域
用于各类工业管道的流体净化,可适配多种介质,安装便捷、维护简单,满足化工、机械、电力等多行业的多样化过滤需求。
| 徐豪杰 QQ:2351635597 手机:18519260275 电话:010-64714988-186 传真:010-84786709-667 邮件:sales65@handelsen.cn |
![]() |
![]() |
客服热线:






