| 品牌OMAL | 有效期至长期有效 | 最后更新2026-02-05 15:16 |
| 浏览次数58 |
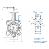
意大利OMAL V386FT76 法兰隔断阀
公司简介
意大利OMAL创建于1981年,专注执行器与阀门研发制造,产品适配多行业流体控制需求,提供稳定可靠的流体管控解决方案。
产品简介
V386FT76型法兰隔断阀,法兰连接设计,密封性能可靠,可快速实现流体截断与接通,适配多介质输送场景。
详细介绍
V386FT76型法兰隔断阀是OMAL针对流体输送安全管控需求设计的核心产品,集成品牌自主研发的执行器与阀门核心技术,专为各类工业管道的流体隔断场景打造。产品采用气动驱动结构,响应迅速且操作稳定,可根据控制信号快速实现阀门的开启与关闭,精准把控流体输送节奏。
阀体采用优质耐腐蚀材质制造,搭配精密密封结构,密封性能优异,可有效防止流体泄漏,保障作业安全。法兰连接方式适配各类工业管道安装需求,安装便捷且连接牢固。产品适配较宽的温度与压力范围,可耐受水、蒸汽、油品、化工介质等多种流体侵蚀,维护成本可控,为多行业流体输送系统提供稳定的隔断保障。
技术参数
| 参数类别 | 参数详情 |
| 型号 | V386FT76 |
| 类型 | 法兰隔断阀 |
| 连接方式 | 法兰连接 |
| 阀体材质 | 优质耐腐蚀合金 |
| 密封材质 | NBR/FKM/EPDM(可选) |
| 工作温度范围 | -20℃至+80℃(NBR);-20℃至+150℃(FKM/EPDM) |
| 额定工作压力 | ≤10bar |
| 控制压力范围 | 双效3-8bar;单效4.2-8bar |
| 真空密封性能 | 97%真空(压力约30mbar,-980 mbarg) |
| 控制接口 | NAMUR标准接口 |
| 适用介质 | 水、蒸汽、油品、化工介质、天然气等 |
| 安装特性 | 适配工业管道标准安装,可远程控制 |

应用场景
石油化工领域
适配石油化工行业原油输送、炼制装置及化工产品储存罐区的管道系统,可快速切断或接通流体,防止介质泄漏,保障生产安全与稳定。
天然气领域
用于天然气开采、长输管道及城市燃气供应系统,密封性能可靠,可在压力异常或泄漏时快速切断气源,降低安全风险。
电力能源领域
应用于火力发电、核电等电力行业的汽水管道、冷却剂管道系统,可根据水位、压力等参数精准控制流体通断,保障发电设备安全运行。
制药领域
适配制药行业原料输送、反应釜进出料管道,密封无泄漏可防止原料污染,精准控制通断节奏,保障药品生产纯度与流程稳定。
食品饮料领域
用于食品饮料行业原料输送及罐装生产线管道,材质符合卫生标准,可快速切换流体通断与隔离,保障产品质量与生产效率。
| 徐豪杰 QQ:2351635597 手机:18519260275 电话:010-64714988-186 传真:010-84786709-667 邮件:sales65@handelsen.cn |
![]() |
![]() |
客服热线:







