| 品牌Bolondi | 有效期至长期有效 | 最后更新2025-12-15 13:36 |
| 浏览次数81 |
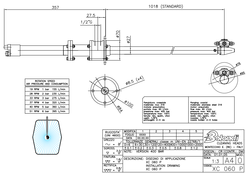
意大利 Bolondi XC060PPF 型旋转喷气式清洁头
公司简介
意大利 Bolondi 深耕清洁设备领域,专注工业清洁与消毒设备研发生产,产品适配多行业工况,提供实用可靠的清洁解决方案。
产品简介
Bolondi XC060PPF 型旋转喷气式清洁头,采用 360° 旋转喷射设计,以压缩空气为动力,非接触式清洁,适配多种场景,操作便捷且清洁高效。
详细介绍
(一)核心清洁性能
该清洁头依托压缩空气驱动内部涡轮结构,实现自动旋转喷射,形成 360° 螺旋状高压气流,能均匀覆盖清洁区域,触及复杂表面与狭小空间。喷射气流集中且冲击力适中,可有效清除粉尘、碎屑、残留杂质等,且非接触式清洁方式避免划伤工件表面,适配高精度清洁需求。旋转速度与气流强度适配常规工业清洁标准,清洁效率优于传统固定喷头,缩短作业时间。
(二)材质与结构优势
主体选用高强度工程塑料,兼具轻量化与抗冲击性能,手持操作省力,且能耐受日常使用中的碰撞;喷嘴采用耐磨材质,长期使用不易磨损,确保喷射效果稳定;接口部位搭配黄铜嵌件,增强连接强度,避免频繁拆装导致的损坏。结构设计紧凑,体积小巧,占用空间少,适配设备集成或移动作业场景;内置密封结构,采用耐油耐水密封圈,有效防止气流泄漏,提升能量利用率。
(三)使用便捷性与适配性
操作方面,适配标准压缩空气管路,连接简单无需复杂调试,启动后自动旋转清洁,无需人工干预调整角度。适配性强,支持根据清洁需求调节喷射参数,可切换不同喷射模式,满足大面积快速清洁与精准定点清洁的多元需求。维护上,结构简洁无复杂易损件,日常仅需定期检查接口密封性与喷嘴清洁度;易损件标准化程度高,更换便捷,无需专用工具,降低运维成本。
技术参数
| 类别 | 参数详情 |
| 型号 | XC060PPF |
| 产品类型 | 工业级旋转喷气式清洁头 |
| 核心性能参数 | |
| 动力来源 | 压缩空气 |
| 材质 | AISI 316 |
| 长度 | 1018毫米 |
| 压力 | 400巴 |
| 流量 | 60LT/MIN |
| 喷嘴 | 2个或4个 |
| 密封件 | EPDM |
| 防护等级 | IP54 |
| 适配标准 | 符合工业清洁设备通用标准;通过 CE 认证 |

应用场景
电子制造领域
用于电路板、电子元件表面的粉尘与切割碎屑清洁,非接触式设计避免损伤精密部件,保障产品质量。
汽车制造行业
清洁车身饰件、零部件表面的灰尘与异物,适配喷涂前预处理流程,提升涂装附着力。
机械加工领域
清除机床、模具内部的残留碎屑与油污,适配狭小空间清洁,保障设备运行顺畅。
食品与制药行业
用于生产设备表面的除尘清洁,材质符合卫生要求,避免污染,适配洁净生产环境。
家居与木业领域
清洁家具、木地板表面的打磨残留物,非接触式清洁保护材质表面光泽,提升产品外观质感。
| 徐豪杰 QQ:2351635597 手机:18519260275 电话:010-64714988-186 传真:010-84786709-667 邮件:sales65@handelsen.cn |
![]() |
![]() |
客服热线:







