| 品牌Gestra | 有效期至长期有效 | 最后更新2025-11-17 16:55 |
| 浏览次数95 |
德国 Gestra传感器 NRG 26-21 型电极水平传感器
德国 Gestra 专注流体控制与检测设备研发,产品涵盖阀门、传感器等,适配工业、能源领域,为流体系统提供稳定的监测与调控解决方案。
二、产品简介
Gestra NRG 26-21 型电极水平传感器,基于电极检测原理实现液位监测,响应快速、精度稳定,适配多种液体介质,安装维护简便,保障系统液位可控。
三、详细介绍
(一)工作原理
该传感器利用液体导电性差异实现液位检测:电极探头与容器壁(或参考电极)构成检测回路,当液体接触电极时,回路导通产生电信号;传感器将电信号转化为液位状态信号(如 “液位到达”“液位低于”),传输至控制系统;无需机械运动部件,依靠电学特性实现非接触式液位监测,减少磨损,适配长期连续监测场景;同时支持多点液位检测(可配置多个电极),满足不同液位阈值的监测需求。
(二)结构与性能优势
结构设计上,采用模块化探头设计,探头长度可根据容器深度选择,适配不同高度的液位监测需求;传感器本体体积紧凑,可安装在容器侧壁或顶部,无需占用过多空间,适配狭小设备环境;外壳采用防腐蚀材质,能耐受水、油、弱腐蚀性液体等介质的侵蚀,延长设备使用寿命;接线接口标准化,可直接与 PLC、控制柜等控制系统对接,集成难度低,降低现场调试时间。
(三)可靠性保障
性能方面,检测精度稳定,液位响应时间≤0.5 秒,可及时反馈液位变化,避免液位异常导致的系统故障;具备过载保护功能,当电路出现过载或短路时,自动切断部分回路,保护传感器核心部件;工作温度范围宽(具体参数见技术参数),能适应工业车间、锅炉旁等不同温度环境,无需额外温控装置;日常维护仅需定期清洁电极探头,去除附着杂质,保障检测准确性,无需复杂拆解,降低运维成本。
四、技术参数
型号:NRG 26-21
产品类型:电极式液位传感器(水平传感器)
核心性能参数
检测介质:导电液体(如自来水、锅炉水、矿物油、弱腐蚀性溶液)
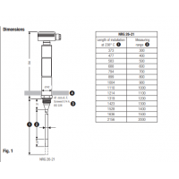
液位检测范围:0-3000mm(根据探头长度定制)
响应时间:≤0.5 秒
工作温度范围:-20℃-+120℃
工作压力范围:0-10 bar(常压至中压场景)
供电电压:24 V DC(标准)、110/230 V AC(可选)
输出信号:2 路常开 / 常闭继电器输出(触点容量:5 A/250 V AC)
防护等级:IP65(传感器本体)、IP67(探头部分,可选)
结构与材质参数
探头材质:不锈钢(1.4401/316L,耐腐蚀)
传感器本体材质:ABS 工程塑料(阻燃级)
接线方式:螺丝端子接线(兼容 0.5-2.5 mm² 导线)
安装方式:螺纹安装(G1/2"或 NPT 1/2",可选)、法兰安装(可选)
五、应用场景
锅炉与供暖系统:安装在工业锅炉的汽包、供暖系统的膨胀水箱中,监测水位变化,防止水位过低导致锅炉干烧或水位过高影响蒸汽质量,适配电厂、化工厂的锅炉补水控制与供暖管网液位调节。
给排水领域:用于市政水厂的蓄水池、污水处理厂的沉淀池液位监测,反馈液位信号至控制系统,实现自动补水或排水,避免水池溢水或干涸,适配城市给排水系统的自动化控制。
工业储罐监测:在化工、石油行业的液体储罐(如溶剂罐、润滑油罐)中,监测罐内液位,防止液位过高溢出或过低导致设备缺料,适配中小型储罐的液位预警与自动补液控制。
食品饮料行业:用于食品厂的原料储罐(如糖浆罐、果汁罐)、清洗水箱液位监测,不锈钢探头符合食品卫生标准,避免介质污染,适配乳制品、饮料生产线的液位管控,保障生产连续。
机械设备冷却系统:安装在机床、压缩机的冷却水箱中,监测冷却液液位,当液位过低时发出预警,提醒补充冷却液,避免设备因冷却不足过热损坏,适配机械厂、加工厂的设备冷却系统维护。
新能源领域:用于新能源电池生产中的电解液储罐、冷却系统水箱液位监测,精准检测保障电解液供应稳定与冷却系统正常运行,适配锂电池、燃料电池生产线的液位控制场景。
| 徐豪杰 QQ:2351635597 手机:18519260275 电话:010-64714988-186 传真:010-84786709-667 邮件:sales65@handelsen.cn |
![]() |
![]() |
客服热线:







