| 品牌Lika | 有效期至长期有效 | 最后更新2026-04-16 13:24 |
| 浏览次数0 |
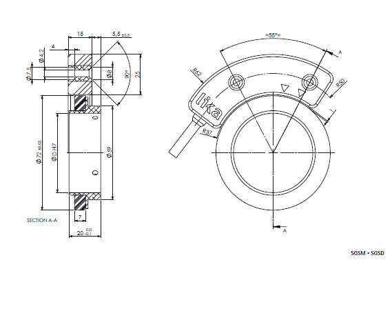
意大利Lika SGSM-Y2-16-N-L050增量磁性传感器
公司简介
意大利Lika专注自动化传感设备研发制造,产品经严格质量检测,适配多行业定位与检测需求。
产品简介
Lika SGSM-Y2-16-N-L050型增量磁性传感器,非接触式设计,精度稳定,抗干扰性强,适配多场景位置、转速检测,安装便捷。
产品详细介绍
意大利Lika SGSM-Y2-16-N-L050型增量磁性传感器,是专为工业自动化场景设计的位置与转速检测设备,采用增量式检测原理与磁性感应技术,非接触式运行方式,可精准捕捉设备运动轨迹与转速信息,契合多行业自动化控制的核心需求。
该传感器采用优质磁性感应元件,检测精度稳定,分辨率可达指定标准,输出信号清晰,能有效规避工业环境中的电磁、粉尘干扰,运行可靠。适配多种安装场景,体积小巧,可灵活部署于狭小空间,安装与调试便捷,无需复杂操作。外壳经特殊防护处理,防护等级达标,可耐受常规工业工况,使用寿命较长。支持多种信号输出模式,适配不同自动化控制系统,维护简单,易损部件可快速更换,符合相关工业标准,适配新机配套与老旧传感器替换,兼顾实用性与经济性,可满足各类工业设备的定位、测速需求。
核心技术参数
| 产品型号 | SGSM-Y2-16-N-L050 |
| 产品类型 | 增量式磁性传感器 |
| 检测原理 | 磁性感应原理 |
| 运行方式 | 非接触式 |
| 分辨率 | 16线/转 |
| 输出信号 | NPN集电极开路输出 |
| 供电电压 | 10-30V DC |
| 工作温度 | -20℃至+85℃ |
| 防护等级 | IP67 |
| 检测距离 | 最大5mm |
| 响应频率 | 最高100kHz |
| 安装方式 | 螺栓固定,灵活部署 |
| 外壳材质 | 高强度工程塑料 |
| 线缆长度 | 0.5m(可定制) |
| 使用寿命 | ≥8000小时(常规工况) |

应用场景
机床制造领域
适配机床主轴转速检测、刀库定位,保障加工精度与效率。
工业机器人领域
用于关节位置反馈与转速控制,确保动作精准流畅。
自动化生产线
适配输送设备定位、分拣机转速检测,提升生产自动化水平。
轨道交通领域
用于辅助设备位置检测,保障运行稳定。
工程机械、印刷设备、包装机械领域
凭借抗干扰强、精度稳定的优势,满足各类工业自动化检测需求,适配新机配套与老旧设备替换维护。
客服热线:





