| 品牌brinkmann | 有效期至长期有效 | 最后更新2021-09-27 17:18 |
| 浏览次数69 |
brinkmann半开式叶轮潜水泵TA-STA系列
brinkmann半开式叶轮潜水泵TA-STA系列
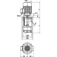
是一种设计简单的离心泵,其中叶轮位于延长的电机轴上。
它们直接安装在水箱上,并通过泵喷嘴浸入冷却液中。
确保最高冷却液液位保持在安装法兰下方几厘米处。
带SAE 法兰的STA 系列可选择用于垂直或水平管道连接,压力表连接
G ¼。
应用领域
传送媒体
冷却乳液、冷却和切削油
运动粘度 ... 45 平方毫米/秒(45 cSt)
交货温度 0 ... 80 °C
0 ... 60 °C (TA302)
更高温度应要求提供
执行
泵体 灰铸铁
盖 灰口铸铁POM (TA302)
叶轮 黄铜POM (TA302)
按要求
吸盖 带连接螺纹
车轮 铸钢
其他材料 根据要求
声压60 dBA (TA302 ... STA302)
66 dBA (STA303 ... STA305)
71 dBA (STA306)


brinkmann半开式叶轮潜水泵TA-STA系列
型号及技术资料
技术规格
brinkmann半开式叶轮潜水泵TA-STA系列
| 申紫东 QQ:2850590588 手机:18519582190 电话:010-64714988-182 传真:010-84786709-667 邮件:sales61@handelsen.cn |
![]() |
![]() |
客服热线:







